Exchange the PJA to PJA cable

Before you begin

Icon for electrostatic discharge wrist strapUse approved ESD procedures to prevent damage.

Attention:
  • This procedure is not a stand-alone procedure. Customer disruption and damage to the hardware might occur when microcode and power boundaries are not in the proper conditions for this service action.
  • If a serviceable event FRU repair directed you to this procedure, the microcode and power boundaries are already set.
  • If a serviceable event FRU repair did not direct you to this procedure, see MAP1230 Replace a FRU without using a serviceable event.
Notes:
  • All the cables and FRUs to be removed must be uniquely identified so they can be reinstalled correctly.
  • If an installed earthquake resistance kit prevents you from accessing this FRU, refer to MAP1600.

Remove the PJA to PJA cable

Procedure

  1. At the rear of the rack, locate the PJA to PJA cable. Use the location code, E41-J9 to E42-J9. See Figure 1, Figure 2, and Figure 3.
    Figure 1. Ethernet switch tray locations (Model 961, rack version 1)
    Ethernet tray (switches, laptop fans, power distribution assembly) locations
    Figure 2. Ethernet switch tray locations (Model 961 rack version 2 rear)
    Ethernet switch tray locations (Model 961 rack version 2 rear)
    Figure 3. Power junction assembly (PJA) locations
    Power junction assembly (PJA) locations
  2. Disconnect the cable at all three ends.
  3. Remove the cable retention hardware as needed and then remove the cable.

Install the PJA to PJA cable

Procedure

  1. Route the cable.
  2. Connect both ends of the cable.
  3. Install the cable retention hardware.
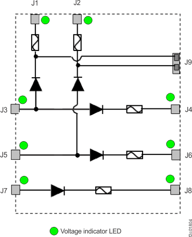
  4. A failure of this FRU is not isolated by code, and it cannot be isolated by a visual symptom using the PJA LED indicators with all cables connected. The only way to prove it is working is to disconnect the J3 and J5 input connectors and then observe the J1 and J2 LED indicators. If they are lit, the PJA to PJA cable (J9 to J9) is working correctly and the J3 and J5 input cables can be reconnected. See Figure 4.
    Figure 4. PJA internal diodes, fuses, LEDs
    PJA internal diodes, fuses, LEDs
  5. Exit this service information center parts exchange procedure and return to the procedure that sent you here.